页面
大
小
配色
无
字
字
字
字
辅助线
开
重置
今天:
2024年2月22日 星期四
自治区人民政府网
中国政府网 |
政务新媒体矩阵
手机版
智能机器人
用户空间
|
简体版
|
繁体版
|
微信公众号
防城港发布
支持IPv6
无障碍
集
搜索
首页
城市概况
政府信息公开
公共服务
网上办事
互动交流
数据服务
精准公开
认识防城港
发展防城港
旅游防城港
图说美景
政策文件
规章
政府信息公开指南
政府信息公开制度
法定主动公开内容
政府信息公开年报
政府公报
依申请公开
政府网站年度报表
政府信息公开目录
基础信息公开
个人办事
法人办事
便民常用查询
利企常用查询
主题服务
新闻发布会
建议提案
常见问题
互动统计
领导信箱
社会热点回应
分类数据
26045074
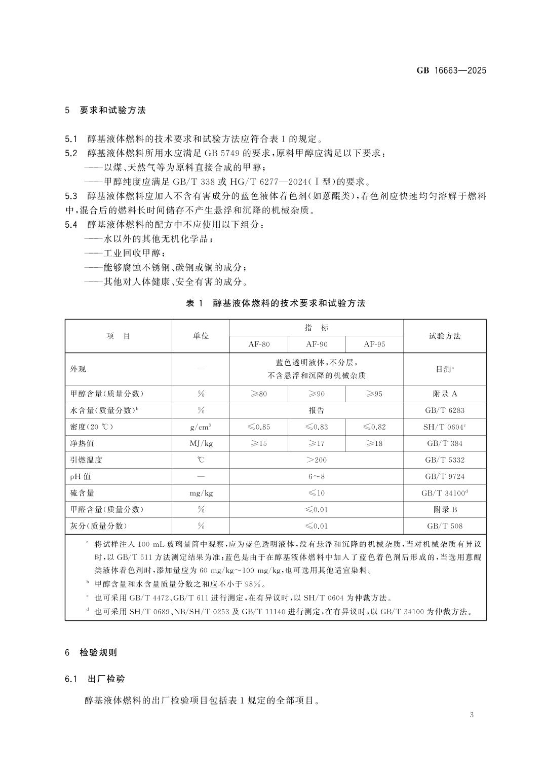
新标准分享:GB 16663-2025 醇基液体燃料
20
防城港市应急管理局
2025-10-13
153098
通知公告
当前位置:
首页
>
防城港市应急管理局
>
通知公告
新标准分享:GB 16663-2025 醇基液体燃料
2025-10-13 16:15 来源:防城港市应急管理局
分享
微信
头条
微博
空间
qq
【字体:
大
中
小
】
打印
文件下载:
关联文件: